X
BRAND: DANFOSS

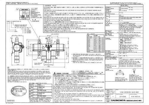
4-putni ventil Danfoss STF-6009G

Šifra: 4DASA92
Kat#: 061L1361
rok isporuke provjeriti sa prodajom
2.888,40/ KOM
Dodaj u
Težina neto
14,00 kg
Datoteke
Zadnje pogledano